おそまつなフロントオーディオ2
eMachines製デスクトップパソコンを修理した時の記録です。
交換したマザーボード側がHD AUDIOで、ケース側はAC'97です。
フロントオーディオではまりやすい典型的パターンです。
解決方法の一例として記します。
![]() |
数年前に発売されたeMachinesのデスクトップパソコン。AC'97仕様のケースなので、HD AUDIO仕様のマザーボードに交換すると、ヘッドホンを差してもスピーカーの音が止まりません。 こんな場合、HD AUDIOの仕様に則したジャックに交換するだけで対処できます。 |
![]() |
ケースの内側から見るとこんな感じです。 モールドタイプになっていました。 モールドタイプは加工しにくいので嫌いです。笑 |
![]() |
ケースから分離。 |
![]() |
モールドを部分的に破壊して分解してみると、オーディオジャックはケースに収められていました。 |
![]() |
中国の女工さんの姿が目に浮かびますね。 |
![]() |
スイッチ付きステレオジャックを、小さくカットしたユニバーサル基板に乗せた上で配線しました。ジャックの位置合わせが肝心です。 ここで言うスイッチ付きとは、プラグの挿入を検知する専用のスイッチが内蔵されていると言う意味です。 プラグの挿入でONになること! 取り扱っているお店は非常に少ないようです。 ↓これが使えます。 ■ HOSIDEN HSJ1063-0104109 (株)和海機工 |
![]() |
マザーボードのヘッダピンに接続するにはQIコネクタを使います。コンタクトピンとハウジングは基本的にバラ売りです。圧着工具は高価なので、いつもハンダ付けしています。 日本ではQIコネクタとか2550コネクタと呼ばれていますが、海外ではHeader Connectorが一般的みたいです。 |
![]() |
今回は元々ケースに付いていたQIコネクタを再利用して接続ケーブルを作りました。 LANケーブルの被覆に必要本数の配線を通し熱収縮チューブを被せました。 廃物利用です。 |
![]() |
作業完了。 |
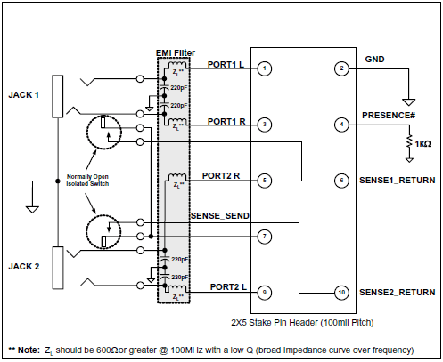
インテルによる説明
出典:インテルhttp://www.intel.co.jp/jp/support/motherboards/desktop/sb/CS-015851.htm
ハイデフィニション・フロントパネル・オーディオ用
| ピン番号 | 信号 | 説明 | ピン番号 | 信号 | 説明 |
|---|---|---|---|---|---|
| 1 | PORT 1L | アナログポート 1 - 左チャンネル (マイク) | 2 | GND | グランド |
| 3 | PORT 1R | アナログポート 1 - 左チャンネル (マイク) | 4 | PRESENCE# | インテルR HD オーディオ・ドングルが接続されているかどうかを確認する信号です。PRESENCE# が 0 の場合、ドングルが接続されています。 |
| 5 | PORT 2R | アナログポート 2 - 右チャンネル (ヘッドフォン) | 6 | SENSE1_RETURN | フロントパネル用ジャック検出 (JACK1) |
| 7 | SENSE_SEND | インテルR HD オーディオ CODEC ジャック検出抵抗ネットワークからのジャック検出ライン | 8 | KEY | ピンなし |
| 9 | PORT 2L | アナログポート 2 - 左チャンネル (ヘッドフォン) | 10 | SENSE2_RETURN | フロントパネル用ジャック検出 (JACK2) |
AC'97 フロント・パネル・オーディオ用
| ピン番号 | 信号 | 説明 | ピン番号 | 信号 | 説明 |
| 1 | MIC | フロント・パネル・マイク入力信号 (ステレオマイク対応の場合、バイアスされています) | 2 | AUD_GND | アナログ用グランド |
| 3 | MIC_BIAS | マイクパワー / ステレオマイク用追加 MIC 入力 | 4 | AUD_GND | アナログオーディオ回路用グランド |
| 5 | FP_OUT_R | フロントパネル用右チャンネルオーディオ信号 (ヘッドフォン対応) | 6 | FP_RETURN_R | フロントパネル用右チャンネルオーディオ信号 (ヘッドフォンが通電されていない場合) |
| 7 | AUD_5V | アナログオーディオ回路用 +5V (フィルター済み) | 8 | KEY | ピンなし |
| 9 | FP_OUT_L | フロントパネル用左チャンネルオーディオ信号 (ヘッドフォン対応) | 10 | FP_RETURN_L | フロントパネル用左チャンネルオーディオ信号 (ヘッドフォンが通電されていない場合) |
HD AUDIO

AC'97

マザーボード側ヘッダピンのピン番号
使えそうなコネクタ

HOSIDEN HSJ1063-0104109の構造

| 1:グランド 3:右チャンネル 11:右チャンネルのリターン(使わない) 10:左チャンネルのリターン(使わない) 2:左チャンネル 4:挿入検出ノーマリクローズ(使わない) 5:挿入検出コモン 6:挿入検出ノーマリオープン |
コーデックチップのデータシート
例えばRealtek ALC662
78枚目P70前後
参考になるかもしれません。
以上、参考資料と合わせてアップします。 おそまつ!
こんなパターンもあります。
(誤表記や勘違いがありましたら一報ください。指摘していただけるとありがたいです。)